
विस्तृत उत्पाद विवरण
| फाइदा: | उच्च गति | लेबलिंग गति: | -2०-२००pcs / मिनेट |
|---|---|---|---|
| समारोह: | Ahesive Sticker Labeling | सामग्री: | खिया नलाग्ने |
| बोतल प्रकार: | स्वचालित गोल बोतल लेबलर जार | अनुप्रयोग: | राउन्ड कन्टेनरको सबै प्रकारका लागि |
| पीएलसी ब्रान्ड: | मित्सुबिशी (जापान) | सर्वो लेबलिंग मोटर: | DELTA (ताइवान) |
रातो वाइन लेबलिंग मशीन गिलास वाइन बोतल लेबलिंग मेशिन, PLC नियन्त्रण प्रणाली MITSUBISHI ब्रान्ड लेबलिंग मेशीन
विशेषताहरु:
१. अपरेशन: पीएलसी नियन्त्रण प्रणाली लेबलिंग मेशिन संचालन गर्न सजिलो बनाउँछ
२. सामग्री: लेबलिंग मेशिनको मुख्य शरीर SUS304 स्टेनलेस स्टीलको बनेको छ
Config. कन्फिगरेसन: हाम्रो लेबलि machines मेशिनहरूले चर्चित जापानी, जर्मन, अमेरिकी, कोरियाली वा ताइवान ब्रान्ड पार्ट्सलाई अपनाउँछ
F. लचिलोपन: ग्राहकले प्रिन्टर र कोड मेशिन थप्न छनौट गर्न सक्दछ; कन्व्हेयरसँग जोड्नका लागि छनौट गर्न सक्छ वा सक्दैन।
प्राविधिक प्यारामिटरहरू:
| नाम | उच्च गति आस्तीन सिको राउन्ड बोतल लेबलिंग मेशिनको लागि स्वचालित राउन्ड वाइन बोतल |
| लेबलिंग गति | -3०--350० पीसी / मिनेट |
| वस्तुको उचाई | -3०--350० मिमी |
| वस्तुको मोटाई | २०-१२० मिमि |
| लेबलको उचाई | -1-११mm मिमि |
| लेबलको लम्बाई | २-3--3०० मि.मी. |
| लेबल रोलर भित्र व्यास | Mm 76 मिमी |
| लेबल रोलर बाहिर व्यास | 20२० मिमी |
| लेबलिंगको सटीकता | Mm १ मिमी |
| बिजुली आपूर्ति | 220V 50 / 60HZ 3.5KW |
| प्रिन्टरको ग्यास खपत | K केजी / एम २ (यदि कोडिंग मेशीन थप गरियो भने) |
| लेबलिंग मेशिनको आकार | २00०० (एल) × १5050० (W) × १00०० (एच) मिमी |
| लेबलिंग मेशिनको तौल | १k० किलो |
कन्फिगरेसन
| होईन | भाग | ब्राण्ड | मात्रा |
| 1 | पीएलसी | मित्सुबिशी (जापान) | 1 |
| 2 | मुख्य कन्भर्टर | DANFOSS (डेनमार्क) | 1 |
| 4 | HMI | WEINVIEW (ताइवान) | 1 |
| 5 | सर्वो लेबलि motor मोटर | डेल्टा (ताइवान) | 1 |
| 6 | सर्वो लेबलि motor मोटर ड्राइभर | डेल्टा (ताइवान) | 1 |
| 7 | कन्वेयर मोटर | HY (ताइवान) | 1 |
| 8 | कन्वेयर मोटर गियरबक्स | HY (ताइवान) | 1 |
| 9 | बोतल मोटर विभाजित गर्दै | जीपीजी (ताइवान) | 1 |
| 10 | बोतल मोटर गियरबक्स विभाजित गर्दै | जीपीजी (ताइवान) | 1 |
| 11 | बोतल अलग मोटर मोटर गभर्नर | जीपीजी (ताइवान) | 1 |
| 12 | स्पोक मोटर | जीपीजी (ताइवान) | 1 |
| 13 | मोटो गियरबक्स बोल्नुहोस् | जीपीजी (ताइवान) | 1 |
| 14 | वस्तु जादू आँखा पत्ता लगाउनुहोस् | OMRON (जापान) | 1 |
| 15 | अप्टिकल फाइबर | OMRON (जापान) | 1 |
मेशिन विवरण:

Main२ मुख्य लेबलिंग मेशिन भागहरू

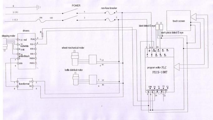
सर्किट आरेख

FAQ:
१. लेबल फुले हुन्छ
कारणहरू:
Board बोर्ड अफ पिल राम्रो छैन / सस्तो छैन;
Low हलो बोर्ड राम्रो / सस्तो छैन;
③ लेबलिंग आउटपुट ज्यादै चाँडो छ वा असेंब्ली लाइनको गति पनि कम छ;
④ लेबल धेरै ढीला तानिन्छ
समाधानहरू:
Board बोर्डबाट एक सपाट पिल परिवर्तन गर्नुहोस्;
Flat एक सपाट हलो बोर्ड परिवर्तन;
Label लेबलिंग आउटपुट गति सुस्त गर्नुहोस् वा असेंब्ली लाइनको गति बढाउनुहोस्;
Label लेबल बेल्टको राम्रोसँग प्रभाव पार्दछ।
ट्याग: औद्योगिक लेबलिंग मेशिन, गिलास बोतल लेबलिंग मेशीन









